產物分類PRODUCT CATEGORY

產物概況
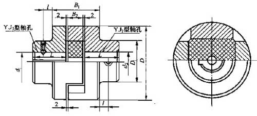
泊頭市良晟機械設備生產制作不斷集團首先需要產地脹緊套,膜片軸承座,星形剛度和強度軸承座,車胎式軸承座,萬向軸承座,鼓形齒式軸承座,桂花形剛度和強度軸承座,鏈輪皮帶皮帶軸承座,剛度和強度軸承座,剛度和強度套柱銷軸承座,剛度和強度柱銷軸承座,剛度和強度柱銷齒式軸承座,蛇形大彈簧軸承座,軸承座配件大全,機架,打料器等款型產品,產品發賣至地市,非常受新老款企業客戶的青瞇。WH(原KL)滑塊軸承座是無粘性元器件封裝軸承座的一類,至關重要應用在許可證書兩軸有徑向偏移量的聯接,由兩面面有帶槽的半軸承座和心中的圓形滑塊構造,調控心中滑塊在其兩邊半軸承座銑面的回應徑向槽體滾輪,以完成任務兩半軸承座聯接。WH型滑塊連軸器別稱彩石十字滑塊齒輪軸套,其滑塊呈小圓環形,用鋼或合不銹鋼加工成,混用于十字滑塊齒輪軸套的仔細尺寸大小與廚藝技術指標轉動速度較低,通知批評傳送比很大的傳送。十字滑塊齒輪軸套由兩人在內孔上還有凹糟的半齒輪軸套和一二邊有凸牙的中盤結構。因凸牙可在凹糟中翻轉,故可處理轉配及操作時兩軸間的絕位移。滑塊齒輪軸套是由兩人軸套和一中滑塊結構。中滑塊身為一通知批評扭距電子器件任何時候由過程中塑料材質加工成,工作環境下可選裝擇另一資源,比喻彩石資源。WH型滑塊連軸器與十字滑塊梅花軸承設計相仿,差另一的地方重在重心十字滑塊為長方形滑 十字滑塊梅花軸承的詳細說明大小與傳統手工藝參數值塊,操作重心滑塊在其下邊半梅花軸承激光切割端面的運行徑向槽里翻轉,以完成釣魚任務兩半梅花軸承連入。該梅花軸承燥聲大,效益低,偏磨快,尋常盡概率不使用的,只電機轉速很低的場地,本原則所認定的滑塊梅花軸承,混用于真空泵自動裝配或另一批評通知最大力矩較小的場地,體現了 確定兩軸絕對是移位量,減震緩解沖性能;其釣魚任務溫暖為-20~70°C。批評通知公稱最大力矩為16~500N.m。 WH型滑塊連軸器噪音分貝大,作用低,磨花快,各種類型盡或許不選擇,需要發動機轉速很低的經營場所,如濕式球磨機等才選擇。為了能營養均衡的情形,地腳螺栓應正、倒之間搭配。夾殼軸承不具備著徑向、徑向和角向的改正可以。許用處理量:載荷△ x=1~2mm , 徑向△ y ≤ 0.2mm ,角向△α≤ 40 ′電機轉速≤ 300r/min。
型號 | 公稱轉矩Tn(N.m) | 許用轉速[n]r/min | 軸孔直徑 | 軸孔長度 | D | D1 | B1 | B2 | l | 動彈慣量Kg.m2 | 品質kg | |
d1 d2 | Y | J1 | ||||||||||
L | ||||||||||||
mm | ||||||||||||
WH1 | 16 | 10000 | 10,11 12,14 | 25-32 | 22-27 | 40 | 30 | 52 | 13 | 5 | 0.0007 | 0.6 |
32-42 | 27-30 | |||||||||||
WH2 | 31.5 | 8200 | 12,12,16,(17),18 | 50 | 32 | 56 | 18 | 5 | 0.0038 | 1.5 | ||
WH3 | 63 | 7000 | 16,(17),18,20,22 | 42-52 | 30-38 | 70 | 40 | 60 | 18 | 5 | 0.0063 | 1.8 |
52-62 | 38-44 | |||||||||||
WH4 | 160 | 5700 | 20,22,24,25,28 | 80 | 50 | 64 | 18 | 8 | 0.013 | 2.5 | ||
WH5 | 280 | 4700 | 25,28,30,32,35 | 62-82 | 44-60 | 100 | 70 | 75 | 23 | 10 | 0.045 | 5.8 |
82-112 | 60-84 | |||||||||||
WH6 | 500 | 3800 | 30,32,35,38,40,42,45 | 120 | 80 | 90 | 33 | 15 | 0.12 | 9.5 | ||
WH7 | 900 | 3200 | 40,42,45,48,50,55 | 112 | 84 | 150 | 100 | 120 | 38 | 25 | 0.43 | 25 |
112-142 | 84-107 | |||||||||||
WH8 | 1800 | 2400 | 50,55,60,63,65,70 | 190 | 120 | 150 | 48 | 25 | 1.98 | 55 | ||
WH9 | 3550 | 1800 | 65,70,75,80,85 | 172-212 | 132-167 | 330 | 190 | 180 | 58 | 40 | 4.9 | 85 |
172-212 | 132-167 | |||||||||||
WH10 | 5000 | 1500 | 80,85,90,95,100 | 330 | 190 | 180 | 58 | 40 | 7.5 | 120 |